ログインする
ショッピングカートを見る
商品検索

ヒント>>>
ホーム蝶番・ステー隠し蝶番LAMP ルーター用隠し蝶番 R-70
▼ LAMP ルーター用隠し蝶番 R-70


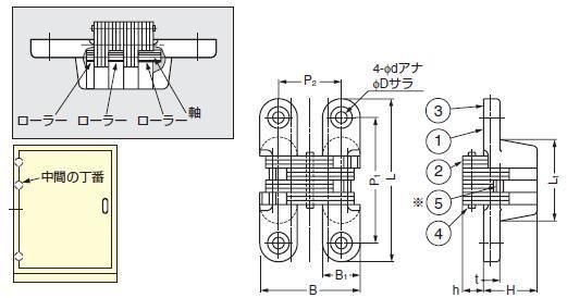
■特長・小型軽量扉に適したものから、中・重量扉に適したものまで5種類のタイプがあります。
・アームにはさびに強いSUS304を使用し、充分な強度と耐食性があります。
・さらにR-100ではガイドピンにローラ−を使用し高付荷時においても滑らかな動きを実現しています。
・木製扉から金属製扉まで、取り付けの工夫次第で幅広く使用できる蝶番です。


■注意

・扉の端までの寸法をXmm以下にしてください。
・ローラーはR-100だけにつきます。
・蝶番は扉1枚に対して2個使いとします。

■付属品
・十字穴付皿モクネジ(ステンレス鋼)
・十字穴付皿タッピンネジ(ステンレス鋼 R-70のみ)


参考:蝶番3個で扉を吊る場合、中間に取り付ける蝶番の位置は上下の蝶番の中心点と上の蝶番の約1/2の位置が適切です。
それは一番上の蝶番にてこの作用でより大きな力が働くことになります。

箱入数
R-43 /30個
R-45 /20個
R-60 /10個
R-70 /10個
R-100/10個

・ 型番
R-70
・ 販売価格
2,250円(税込2,475円)
・ 購入数

※クリックだけでは購入になりません。