全ての商品から
在庫限・アンティーク品
ガラス金物
LED照明
ブランドコレクション
チェイン
ハンドル・ツマミ
引き手
蝶番・ステー
マグネット・キャッチ
棚柱・棚受・ダボ
スライドレール
壁掛けフック・吊金物
化粧部品
配線孔・空気孔
鍵・錠前
戸・扉・ドア周り金物
脚金物
Z金物・補強金物
ネジ・鋲・ビス
パイプ付属
和風金具
小物用金具
和風アクセ
その他
イベント用
ヒント>>>
・ 在庫限・アンティーク品
・ ガラス金物
・ LED照明
・ ブランドコレクション
・ チェイン
・ ハンドル・ツマミ
・ 引き手
・ 蝶番・ステー
・ マグネット・キャッチ
・ 棚柱・棚受・ダボ
・ スライドレール
・ 壁掛けフック・吊金物
・ 化粧部品
・ 配線孔・空気孔
・ 鍵・錠前
・ 戸・扉・ドア周り金物
・ 脚金物
・ Z金物・補強金物
・ ネジ・鋲・ビス
・ パイプ付属
・ 和風金具
・ 小物用金具
・ 和風アクセ
・ その他
・ イベント用
メルマガ登録・解除はコチラ
有限会社河長のホームページ
クレジット決済可能
ホーム
>
スライドレール
>
LAMP スライドレール 3508型
>
LAMP スライドレール 3508-12 箱単位
▼ LAMP スライドレール 3508-12 箱単位
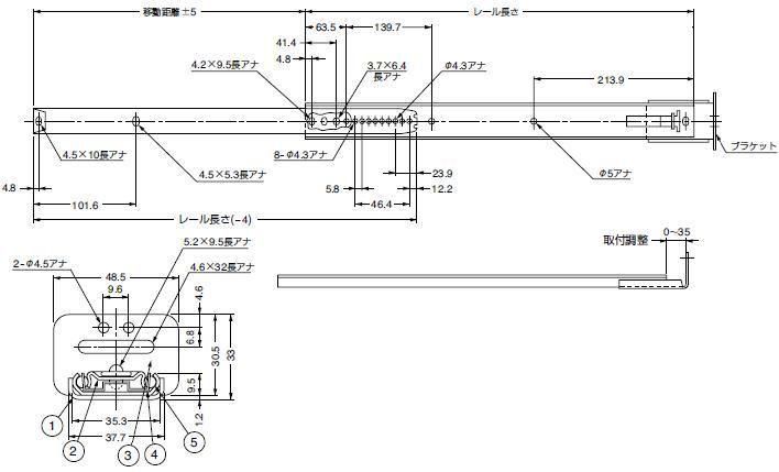
■特長
・3/4スライドの2段引きスライドレールです。
・抽斗の底にレールを取り付ける底引きタイプです。
・レールを全開にすると、摩擦抵抗によりブレーキがかかり止まります。更に強く引くとレールが抜け、脱着が可能です。
■注意
・インナーレールとアウターレールの組み合わせを変えないでください。
・表の耐荷重は、引きだし側レールを伸ばした時のレール中央部での静止荷重です。
■推奨ネジ
呼び4〜4.1のバインドまたは、トラスまたはなべネジ。
20本/1箱
注文コード:190116210 190116211 190116212 190116213 190116214 190116215 190116216 190116217
・
買い物を続ける
・
この商品について問い合わせる
・
この商品を友達に教える
ツイート
Check
・ 型番
3508-12-BX
・ 販売価格
16,510円(税込18,161円)
・ 購入数
箱
※クリックだけでは購入になりません。
特定商取引法に基づく表記
|
プライバシーポリシー
|
サイトマップ
|
お問合せ
金物のCHOBEY Copyright (C) CHOBEY.com All Rights Reserved.