ログインする
ショッピングカートを見る
商品検索

ヒント>>>
ホーム壁掛けフック・吊金物GOKOH PETITフタツトモエ プティ ホワイト
▼ フタツトモエ プティ ホワイト
【特長】
日本古来の文様【二つ巴】をモチーフとした、前から釘穴が見えないフックです。
京都職人の作るGOKOHのフックをお手軽に手にとってもらえるよう、同じフォルムを再現しました。仕上げはホワイト塗装です。
<ROHS対応品>


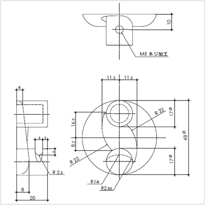
■ サイズ:48×48×20(mm)
■ 材質 :アルミ(AC7A-F)
■ 仕上 :ホワイト塗装
■ 耐荷重:20Kg
■ 付属品:STイモネジ M5×4/STタッピング 4.5×32/ST座金 15.5×12Φ
     鉄六角レンチ/取付プラグ
■ 備考 :詳細サイズ、取付け方法はこちら>>>


・フック以外の用途で使用しないでください。用途以外でのご使用は、責任を負いかねます。
・取付は付属ビスでしっかりと固定し、耐加重以上の重いものを掛けないでください。
(耐荷重は商品自体の強度であり、壁材の種類によって表記より減少します。)
・石膏ボードなどのビスが利かない場所での使用はしないでください。
・落下した際に破損する恐れがございますので、下に物を置かないでください。
・お子様が誤飲する可能性がございますので部品、本体共に手の届かない所で保管ください。
・水気に触れると変色する可能性がございます。
・商品写真とは色が多少異なる事があります。

・ 型番
PFA-T-WT
・ 販売価格
2,750円(税込3,025円)
・ 購入数

※クリックだけでは購入になりません。